إجابات أسئلة الدرس الرابع
إجابات أسئلة الدرس الرابع
دلالات رموز العناصر الأساسية المكونة للدارات الكهربائية والإلكترونية
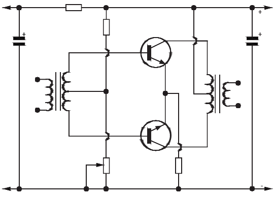
يبيّن الشكل أدناه مخططاً لدارة كهربائية ما، والمطلوب:

1- أرسم المخطط رسمًا فنيًّا، وذلك بمقياس رسم مناسب.
2- أضع دلالة كل رموز العناصر على المخطط.

3- أصمّم جدولًا يوضع فيه رقم العنصر، ومسماه.
|
دلالة ورقم العنصر |
المصطلح الفني |
|
R1 |
مقاومة ثابتة |
|
T1 , T2 |
محولان ذوا قلب حديدي |
|
Q1 , Q2 |
ترانزستوران من نوع ثنائي الوصلة ثنائي القطب |
|
D1 |
ثنائي |
إعداد : شبكة منهاجي التعليمية
03 / 10 / 2023
النقاشات